DoromPATIO DoromPATIO
topPage
information
That's談
Link
来夢&来喜日記
日々雑感
Guitars
Macintosh
DoromPATIODoromPATIODoromPATIODoromPATIODoromPATIODoromPATIODoromPATIO
2011.06.12[日]
topPage
DoromPATIO
■ その3 - 続・電気工事編
Seymour Duncan STHR-1n HOTRAILS for Tele Rythm到着【爆】

想定内の追加投資ではあるが、思ったより早くネック・ピックアップも交換と相成り【爆】、Seymour Duncan STHR-1n HOTRAILS for Tele Rythm(それにしても、ほんと、長い名前だ)は注文の翌々日に到着。
問題はサイズ的にすんなりと取り付けが出来るのかと言う点である。
日々雑感 - DoromPATIO
凛々しいお姿【♪】
日々雑感 - DoromPATIO
丁寧な作り。コイル周りのシールドの様子も分かる
日々雑感 - DoromPATIO
種々の改造のためだろうか、2つのコイルの巻き始めと巻き終わりの表示がプリントされている
日々雑感 - DoromPATIO
ネック・ピックアップは斜めっているブリッジ・ピックアップよりも長さが短い。斜めっていても3つとも同じサイズのStratocasterとは根本的に設計思想が異なるらしい
日々雑感 - DoromPATIO
キャビティ内のシールドのための銅箔テープを通電させるための半田が良く分かる写真。いやぁ〜、この銅箔の張り込み作業はマジで面倒だったぞぉ〜っとぉ。。。

結論から言うと、そのままでは入らない。ピックガードの穴の全体をほんのわずか(1mm強)拡げる必要がある。拡げすぎるとみっともが悪いので、ヤスリで少し削っては具合を見て……を繰り返すこと10数回。結果は写真の通りで、見事ジャストに収まった。
ねじ穴のサイズとピッチ(左右の間隔)は全く同じなので、この点は問題ない。

なお、当然のことだが、ブリッジ・ピックアップを取り付けるときと同じく、またしても弦をニッパーでぶった切って外し、ピックガードを外す必要がある。とにかく弦は消耗品である。
日々雑感 - DoromPATIO
なんとかギリギリ収まった。いや、収めた……の図
日々雑感 - DoromPATIO
マジでギッチギチである
日々雑感 - DoromPATIO
ピックガードをひっくり返して固定する前にケーブルの長さを確かめておいて、先にシース(ケーブル外皮)を剥いておく

次は配線。テレキャスターあるいはそのコピーモデルは配線関係の全てがボディ表側のコントロール・プレートに集めてあるので作業は非常に簡単なのが宜しい。

でだ。
これまでの配線は全てテスト配線だったのでグチャグチャでも何でも構わなかったが、今度は本ちゃんだから突然、丁寧な作業になる。
精神衛生上の問題があるので、一度、とにかく全ての配線を外してしまう。そして、半田吸い取り線で端子部分の半田も全て綺麗にしてしまう。
日々雑感 - DoromPATIO
またしても配線作業のやり直し。まずはリセット=全てを外して綺麗にしちゃう

そして、なるべく配線距離が短くなるように、また、後でこんがらがってグチャグチャの原因にならないように、1本1本の配線を良く考えながら半田付けしていく。
日々雑感 - DoromPATIO
ぐっちゃぐちゃにならないように、今度は最短距離で計画的に配線
日々雑感 - DoromPATIO
ハイパスコンデンサーもロスのないように最短距離で取り付ける
日々雑感 - DoromPATIO
完成。かなりシンプル
日々雑感 - DoromPATIO
取り付け完了。この時点で一度、ヘッドフォン・チェックする。但しテスターが無いし、あっても使い方が分からないので、いつもの通りにピックアップをドライバーなどの頭で軽く叩いてのチェックである【爆】

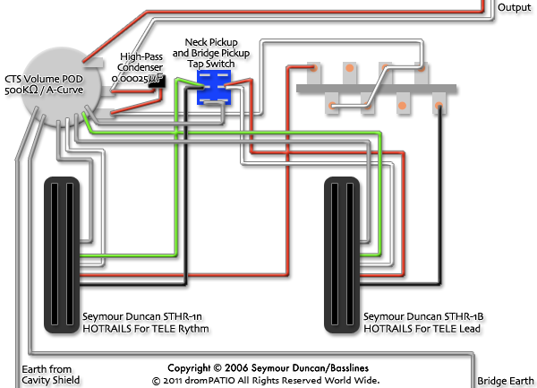
肝心要の結線方法は……
  • 3-wayセレクターは「どノーマル」な「ネック ⇔ ミックス(パラレル) ⇔ ブリッジ」
  • ミニ・トグルスイッチ(6P ON-ON)はネック・ピックアップとブリッジ・ピックアップ両方同時のノーマル(ハムバッカー) ⇔ タップ(シングル・コイル)の切換え
  • ハイパスコンデンサー(0.00025μF)は常時接続

とにかく普通である。構造的にはタップした状態は昔のテレキャスターと同じようなワイアリングと言うことになる(ハイパスコンデンサーの定数とボリューム・ポッドの抵抗値が異なる)。
実態配線図は下記の通り。

日々雑感 - DoromPATIO

出来上がり状態が下の写真。出音はいわゆる「テレギブ(ジェフ・ベックが「哀しみの恋人たち」を録音するときに使ったGibson PAF=つまりフルサイズのハムバッカー・ピックアップを前後に搭載したテレキャスターの俗称)」に近くなるわけだが、見た目は(シングル・サイズのハムバッカーだから)ノーマルと余り変わらないところがミソ。
日々雑感 - DoromPATIO
ネックもブリッジもSeymour Duncanになったぞの図
日々雑感 - DoromPATIO
やっぱ、カッコいいかも(←ミーハー)

と言うわけで早速ヘッドフォン・チェック(dpTL GoldTop → dpGuitarSystem3ZOOM 707II GUITAR → SONY MDR-Z900)。

実際のサウンド/トーンはスタジオでギターアンプを大音量で鳴らさない限りは分からないのだが、経験値で補正するとざっと以下の通り。
  • ネック・ピックアップ=HOTRAILS for Tele RythmはHOTRAILS For TELE Leadとペアのモデルなので、両者の出力やサウンドのバランスは完璧。当たり前だ
  • 歪みは充分すぎるほど
  • サスティーンは筆者の経験では過去最高レベル
  • 結果、サンタナでもGary Mooreでも何でもござれって感じ♪

しかし良いこと尽くめではない。

  • HOTRAILS For TELE LeadもHOTRAILS for Tele Rythmも、タップしたときに出力が予想以上に下がる(聴感的には1/3ぐらい)
  • タップしたときにあんまりシングル・コイルっぽいサウンド/トーンにならないのも同じ。イメージ的には出力の極端に小さいハムバッカーみたいな感じ
  • 歪み系のペダルをONにしている場合、ハムバッカーの状態ではネック側もブリッジ側もハイパスコンデンサーは不要(ボリュームを絞ったときのハイ上がりが結果として、音が細いような感じになってしまう)
  • タップしたときに出力が下がりすぎるのとあんまりシングル・コイルっぽくならないので、タップした場合にはハイパスコンデンサーは必須

ややこしい。
またも発生した「あちらを立てればこちらが立たず」状態である。
そこで悩むこと数秒。すぐにアイデアを思い付いてネット検索をしたら必要なパーツがすぐに見つかった。それが下の写真である。

日々雑感 - DoromPATIO
インターネットは何でも見つかる。何でも買うことが出来る

要するにこう言うことである。
  • タップしないでハムバッカーの時はハイパスコンデンサーはOFFが良い
  • タップしてシングル・コイル状態の時はハイパスコンデンサーはONが良い

普通に考えると逆の筈だが筆者の耳による判断は上のようになったのだから仕方がない。
すると……

  • ネック・ピックアップとブリッジ・ピックアップそれぞれをタップするのに2回路
  • ハイパスコンデンサーのON/OFFに1回路

合計=3回路=9接点のON-ONスイッチを使えば、一発で切り替えられるわけだ。

それを作図すると下記の如し。

日々雑感 - DoromPATIO

それを可能にするのが写真のフジソクの9P ON-ONスイッチである。商品名はショート・トグル・スイッチ。レバー部分が短いタイプ。品番は8J3011-Z。マルツパーツ館WebShopと言うところで単価=588円。
http://www.marutsu.co.jp/
別メーカー製で250円弱のものもあるが、レバー部が短いのが気に入った。インターネット通販の送料は472円。合計で1,060円。注文翌日の午前中に到着。
秋葉原とかに出掛ければ良いという声が聞こえそうだが、我が家の最寄り駅=国領と秋葉原の往復の電車賃は700円である。
つまりインターネット通販の方が安いのだ♪
日々雑感 - DoromPATIO
頭の短いショート・タイプを購入したので後で切断して磨く加工は不要
日々雑感 - DoromPATIO
9Pであることが重要なのだ

と言うわけでまたもdpTL GoldTopの配線を変更するわけだが、作業場を俯瞰すると下の写真のような感じ。これが「バーチャル個人ギター工房『dpGuitarCraft』」の実態である【笑】。
日々雑感 - DoromPATIO
dpGuitarCraftこと筆者のギター工房の実態【笑】。dpTL GoldTopの下に見えているのは愛猫来夢の尻尾【苦笑】
日々雑感 - DoromPATIO
そろそろ寿命が来た半田ゴテの先端

閑話休題。
作業開始。
とにかく、例によって例のごとく、まずはコントロール・プレートを外し(テレキャスターのデザインは配線関係へのアクセスがしやすいので本当に改造向きだわ)古い配線を外す。
それにしても、いったい、何度目?【爆】
日々雑感 - DoromPATIO
前の配線状態のコントロール・プレートを外した所。絶縁用の3Mプラスティック・テープが目立っている
日々雑感 - DoromPATIO
改造に必要な部分の半田だけを外す
日々雑感 - DoromPATIO
これまでの6P ON-ONスイッチを外したところ
日々雑感 - DoromPATIO
こちらが新しい9P ON-ONスイッチ。既にワッシャーに固定してある
日々雑感 - DoromPATIO
ワッシャーにゼリー状瞬間接着剤を塗布
日々雑感 - DoromPATIO
ひっくり返して半固定
日々雑感 - DoromPATIO
瞬間接着剤だけでは必ず外れるので半田でしっかりと固定
日々雑感 - DoromPATIO
ビッタシ収まりました【♪】
日々雑感 - DoromPATIO
ぐっちゃぐちゃにならないように丁寧に配線
日々雑感 - DoromPATIO
ワイアは全てサウンドハウスで安価に手に入るBELDEN製。BELDENはシースが剥きやすく、線材が固くてしっかりしているので配線がしやすくお薦め。音の違いは良く分からない【笑】
日々雑感 - DoromPATIO
すっきりと収まって完成【♪】
日々雑感 - DoromPATIO
ミニトグルスイッチを取り替えてもこの写真で差が分かるわけがない【笑】

かくしてやっとやっとやっと本当に本当に完成。上の写真の通り非常にシンプルな操作系だがサウンド・バリエーションは結構、多彩というdpTL GoldTopが出来上がったのであ〜る【♪】
なお、自分のメモ(備忘録)にもなるのでサウンド・バリエーションを表にしておこう。
ミニスイッチ
3-way
レバースイッチ
サウンド・メモ
ノーマル
(ハムバッカー)
ハイパスコンデンサー=OFF
ネック
中域に癖のある、いかにもハムバッカーな太いサウンド。ST-2がONの場合、高調波がたっぷり出ているのでボリュームを絞ってもハイ落ちが少ないのが良い。ETERNITYの場合はロック&ポップス全般で使いやすい
ミックス
ブリッジ
タップ
(シングル・コイル)
ハイパスコンデンサー=ON
ネック
シングルにしても余りハイ上がりにはならず、出力だけが(筆者の印象では)1/3ぐらいなるのでハイパスコンデンサーをONにしてゲイン落ちを避け、テレキャスっぽいサウンド傾向にチューニング。実際問題としてはタップ状態は殆ど使わない
ミックス
ブリッジ

補足しておくと。上のタップしたときのサウンド・メモに「実際問題としてはタップ状態では殆ど使わない」とあるが、これは当たり前なのである。なんでならば、ミニトグルスイッチを取り付けた最大の理由は「トーン・ポッドを外した後の穴がそのままだとみっともない」ので「何らかの穴塞ぎが必要だった」からだからである。
つまり、サウンド・バリエーションは単なる副産物なのだ【苦笑】。
筆者としてはハムバッカー状態のdpTL GoldTopとdpGuitarSystem3の組合せだけで、自分のバンドの全てのレパートリーを網羅できることこそ理想なのである【きっぱり】。
それが今回の新しいギター導入の元々の目的なんだから。
DoromPATIO
CASIO Exilim EX-Z55 MacBook Pro
猫 チンチラ 来夢&来喜
←
←
↑
→
↑

MacBook Pro
iPod and iPhone
Mac OS X
Tips of Macintosh
レシピ, recipe
書籍, 本, books
映画鑑賞, 洋画, movies
旅行, トラベル, travel
七不思議
Guitar, ギター
Bass, ベース
Effector, エフェクター, ペダル
Tips of Guitars
pageBack
http://company.insight-dp.com/ http://murmur.insight-dp.com/
(c)insight, inc. All Rights Reserved.
無断転載複写を禁ず